ATENDIMENTO ONLINE!

CONVERSE COM OS NOSSOS ATENDENTES VIA WHATSAPP!

ESTAMOS PRONTOS PARA TIRAR AS SUAS DÚVIDAS!

Árvore de produtos CAD
Seção de produtos CAD

Componentes de Estampo

Componentes padronizados

Cumsa

Desmoldagem

Placa de aço

Elementos de Guia

Acessórios para molde

Extratores

Elementos de Posicionamento

Injeção

Rastreabilidade

Refrigeração

Opção de produtos CAD

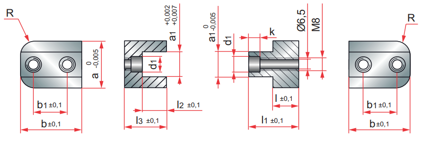
Centralizador Lateral BR50-1

 

Descrição:

Elemento de centragem simplificado, ideal para moldes pequenos com espaços limitados, área de montagem de 30x38mm.

Características:

Dureza: 54 ± 2 HRC, material DIN 1.2344 (ou similar), rosca para desmontagem, única opção de tamanho que necessita de área de montagem de 30x38mm.