ATENDIMENTO ONLINE!
CONVERSE COM OS NOSSOS ATENDENTES VIA WHATSAPP!
ESTAMOS PRONTOS PARA TIRAR AS SUAS DÚVIDAS!
Árvore de produtos CAD
Seção de produtos CAD
Componentes de Estampo
Componentes padronizados
Cumsa
Desmoldagem
Placa de aço
Elementos de Guia
Acessórios para molde
Extratores
Elementos de Posicionamento
Injeção
Rastreabilidade
Refrigeração
Opção de produtos CAD
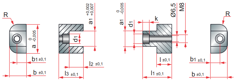
Centralizador Lateral BR50-0
Descrição:
Elemento de centragem simplificado, ideal para moldes pequenos com espaços limitados.
Características:
Dureza: 54 ± 2 HRC, material DIN 1.2344 (ou similar), rosca para desmontagem, única opção de tamanho que necessita de área de montagem de 18x30mm.



